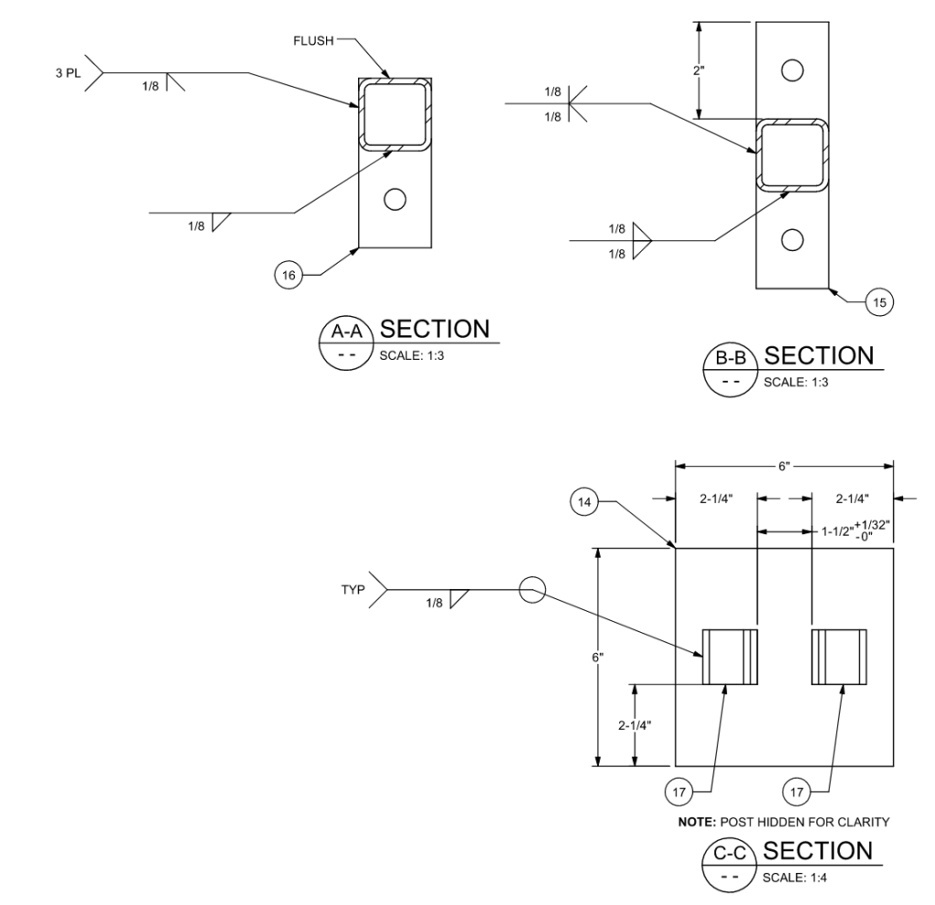
Rooftop ScreeningImpact EngineersApril 30, 2025Commercial Fabrication drawings for rooftop screening assembly. Assembly is braced back against wind by existing jogged roof areas.